銀河功率表在使用中應該注意的幾個問題
- 瀏覽次數:8638次
- 發布時間:2014/2/10 16:13:04
- 作者:銀河電氣
為了避免傳輸過程的干擾和損耗,銀河電氣的功率測量儀器均是采用基于光纖傳輸的
前端數字化技術,
當然,銀河功率表也是采用此種技術。銀河功率表是銀河電氣研發的用于正弦信號測量的儀表,如果正確使用銀河功率表,可以獲得比較高精度的數據。
一、銀河功率表接線需要的注意的問題
在電壓直測、電流使用互感器(或者電流直測、電壓使用互感器)的情況下,互感器的接地線必須懸空,不能接地,如果接地就會導致對地短路的情況出現。主要原因是銀河功率表內部電路處理已經將電壓、電壓的地線與殼體設計為等電位,所以在使用功率表測量互感器接線時,需要注意互感器的保護接地情況。
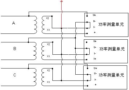
下圖是一個典型的測量互感器的接線原理圖:

銀河功率表接線原理圖
互感器不接地對系統的影響:
互感器接地的目的是為了保護二次側的安全,互感器出現特殊故障的主要現象有兩個:
1:互感器本身的絕緣出現問題,導致一次側電壓進入二次側發生安全事故;
2:互感器二次側開路,導致二次側產生高壓發生安全事故;
銀河電氣功率表測量互感器接線對這兩種故障的應對:
1:如果互感器本身的絕緣出現問題,相當于一次側電壓直接進入功率測量單元,因為電壓測量本身是功率測量單元直接測量,所以不會出現安全問題;
2:功率測量單元本身的隔離電壓為2Un+1000V,萬一電流互感器二次側開路瞬時的大電壓也不會對其他部件造成影響;
3:功率測量單元的采用的是光釬傳輸,采取了光電隔離,任何安全問題不會進入其他部件,最多也只會對功率測量單元造成影響;
二、功率測量單元的安裝需要注意的地方
功率測量單元盡可能安裝在靠近被測信號附近,也就是銀河電氣提出的就近安裝原則,越靠近被測信號測量的不可控因素越小,銀河功率表就越能測量到真實的信號。另外,功率測量單元必須安裝在絕緣板上,不能接地原因還是銀河功率表內部電路處理已經將電壓、電壓的地線與殼體設計為等電位。
任何一個儀表要想發揮它的最大功效,就必須遵循它的使用要求,遵循它的基本要求后,并且能夠在使用中開發它的其他功能,那才是熟悉這個儀器。銀河功率表也是盡可能將安裝接線簡單化,方便用戶的使用,盡可能的減少不確定因素。
擴展閱讀:
銀河問答:功率表測量用互感器接線注意事項
銀河問答:銀河電氣功率表接線詳細接法
作者:hb_yinhe
湖南銀河電氣有限公司(http://m.ykdlmm.com/)