諧波電流測試是電磁兼容測試項目中一項非常重要的測試項目,本文主要根據GB17625 電磁兼容諧波電流發射限值標準介紹各種被試設備諧波電流限值要求及諧波電流測試電路。
A類設備主要是指下列設備:
1) 平衡的三相設備;
2) 家用電器,不包括列入D類的設備;
3) 工具,不包括便攜式工具;
4) 白熾燈調光器;
5) 音頻設備;
6) 未規定為B、C、D類的設備均應視為A類設備。
A類設備輸入電流各次諧波不應超過表1、表2給出的限值要求。
表1:A類設備奇次諧波電流限值

表2:A類設備奇次諧波電流限值

B類設備主要指下列設備:
1) 便攜式工具;
2) 不屬于專用設備的弧焊設備。
B類設備輸入電流的各次諧波不應超過表1、表2給出限值的1.5倍。
1) 照明設備。
C類設備諧波電流限值應不超過表3給出的限值要求。
表3:C類設備諧波電流限值

規定功率不大于600W的下列設備:
1) 個人計算機和個人計算機顯示器、
2) 電視接收機。
表4:D類設備諧波電流限值

被試設備接線端處的試驗電壓應滿足下列要求:
a) 試驗電壓應為受試設備的額定電壓,單相和三相電源的試驗電壓應分別為220V或380V。試驗電壓的變化范圍應保持在額定電壓的±2.0%之內,頻率變化范圍應保持在額定頻率的±0.5%之內。
b) 三相試驗電源的每一對相電壓基波之間的相位角應為120°±1.5°。
c) 當受試設備按正常運行方式連接時,試驗電壓的諧波含有率不應超過下列值:
3次諧波 0.9%
5次諧波0.9%
7次諧波0.9%
9次諧波0.9%
2次~10次偶次諧波0.9%
11次~40次諧波0.9%
d) 試驗電壓的峰值應在其有效值的1.40倍~1.42倍之內,并應在過零后87℃~93℃達到峰值,A類或B類設備進行試驗時不作要求。
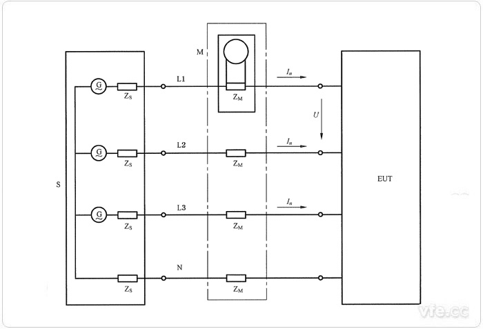
諧波電流測定試驗時,將測量的諧波電流值與各類設備諧波限值進行比較以檢驗受試設備是否符合標準要求。諧波電流測定試驗按照下列圖中所給出的電路測量受試設備(EUT)的諧波電流:
——圖1適用于單相設備;
——圖2適用于三相設備。

圖1:單相設備的測量電路
S——供電電源;EUT——受試設備;
ZM——測量設備的輸入阻抗;In——線電流的n次諧波分量;
M——測量設備;U——試驗電壓;
ZS——供電電源的內阻抗;G——供電電源的開路電壓。
注1:沒有規定ZS和ZM的值,但應足夠小以滿足試驗電源的要求,可以通過測量受試設備與測量設備連接處的電壓來驗證。
注2:在某些特殊情況下,須特別注意避免電源內電感與受試設備電容之間發生諧振。
注3:對于某些類型的設備,例如單相非穩壓整流器,諧波幅值隨著供電電壓急劇變化。為使該變化降到最低程度,推薦將受試設備與測量設備連接點處的電壓維持在220V±1.0V/380V±1.0V,采用與諧波評定相同的200ms觀察窗進行評估。

圖2:三相設備測量電路
S——供電電源;EUT——受試設備;
ZM——測量設備的輸入阻抗;In——線電流的n次諧波分量;
M——測量設備;U——試驗電壓;
ZS——供電電源的內阻抗;G——供電電源的開路電壓。
注1:沒有規定ZS和ZM的值,但應足夠小以滿足試驗電源的要求,可以通過測量受試設備與測量設備連接處的電壓來驗證。
注2:在某些特殊情況下,須特別注意避免電源內電感與受試設備電容之間發生諧振。
注3:對于某些類型的設備,例如單相非穩壓整流器,諧波幅值隨著供電電壓急劇變化。為使該變化降到最低程度,推薦將受試設備與測量設備連接點處的電壓維持在220V±1.0V/380V±1.0V,采用與諧波評定相同的200ms觀察窗進行評估。
下一篇:發電輸電方式簡介