電壓互感器是電力系統的重要組成部分,是交流電路中一次系統和二次系統間連接的橋梁,用于采樣傳遞信號供給測量儀器、儀表和保護、控制裝置等,其工作原理與變壓器非常類似。電壓互感器正常運行時負載阻抗很大,相當于開路,二次側電流很小,當二次側短路時,負載阻抗為零,二次側短路電流會很大,可能導致電壓互感器燒壞,因此,電壓互感器二次側不允許發生短路狀況。國標DL408-91《電業安全工作規程》中要求“嚴格防止帶電電壓互感器二次回路短路或接地”。
同時電壓互感器必須具備一定的短路承受能力,在額定電壓下,電壓互感器應能承受持續時間為1s的外部短路機械效應和熱效應而無損傷。因此,電壓互感器必須進行短路測試,以驗證其短路承受能力。下面本文主要介紹電壓互感器短路測試要求及測試操作等內容。
根據GB 1207 電磁式電壓互感器短路承受能力測試規定,電壓互感器必須進行一次短路試驗,試驗時對電壓互感器一次繞組側勵磁,二次繞組側端子短接(本試驗也可將一次繞組端子短接,在二次繞組側勵磁),持續時間為1s。短路時,施加于互感器端子上的電壓方均根值應不低于其額定電壓。
上述試驗完成后的互感器在冷卻到環境溫度后,需要滿足下列要求,則認為被試互感器通過短路承受能力試驗:
● 無可見的損傷;
● 其誤差與本試驗前的差異不超過其準確級誤差限值的一半,且滿足相應準確級要求;
● 能承受住GB 1207規定的絕緣試驗,但其試驗電壓值降至規定值得90%;
● 與一次繞組和二次繞組表面接觸的絕緣無明顯的劣化現象(如碳化)。
注:如果繞組內電流密度不超過160A/㎡,且銅繞組的導電率不低于GB 5585.1規定值得97%,則d項檢查可不進行。此電流密度應依據測得的二次繞組對稱短路電流方均根值計算(對于一次側,應除以額定電壓比)。
電壓互感器應該按照國標要求對其進行短路承受能力測試,試驗線路可選擇下圖1所示二次短路測試接線方式或圖2所示一次短路測試接線方式。電壓互感器短路測試試驗前,應當先對被試互感器的阻抗測量,以此估算短路電流,以便選擇合適的測量電流傳感器,保證試驗安全可靠進行。

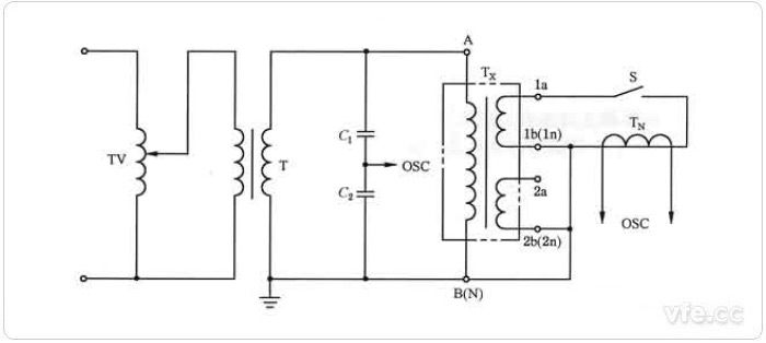
圖1:互感器短路承受能力試驗——副邊短路
TV——調壓器;TN——測量用標準電流互感器;T——升壓變壓器;TX——被試互感器;C1、C2——電容分壓器;A\B(N)——一次繞組端子;
OSC——示波器;1a、1b(1n)、2a、2b(2n)——二次繞組端子;S——開關

圖2:互感器短路承受能力試驗——原邊短路
TV——調壓器;TN——測量用標準電流互感器;T——升流器;TX——被試互感器;
V——峰值電壓表(讀書除以^2);A\B(N)——一次繞組端子;
OSC——示波器;1a、1b(1n)、2a、2b(2n)——二次繞組端子;S——開關
電壓互感器短路測試中可在被試互感器的一次繞組末端B(N)與地之間接一低阻值標準電阻,滿足一次短路電流容量需求,由標準電阻取樣信號來測量被試互感器一次短路電流值。
短路承載能力試驗中施加的電壓不低于額定電壓值,施加試驗電壓應通過計算或先施加1/3~1/2試驗電壓,時間小于0.5s,先以此推算出壓降(以保證短路后施加的電壓等于或略高于額定電壓值)。同時,對于多個二次繞組的互感器,應當在短路阻抗最小的繞組上進行試驗。
【原文:http://m.ykdlmm.com/NewsDetail-1870.aspx,轉載務必帶鏈接注明出處,未注明必追究責任!】
上一篇:永磁同步伺服電機反電動勢測試