不得不看的電流互感器接線圖
- 瀏覽次數:100862次
- 發布時間:2014/10/11 16:29:45
- 作者:銀河電氣
我們從使用功能上將電流互感器分為測量用電流互感器和保護用電流互感器兩類,各種電流互感器的原理類似,本文總結各種電流互感器接線圖,供參考使用。
一測量用電流互感器接線方法
測量用電流互感器的作用是指在正常電壓范圍內,向測量、計量裝置提供電網電流信息。
1普通電流互感器接線圖
電流互感器的一次側電流是從P1端子進入,從P2端子出來;即P1端子連接電源側,P2端子連接負載側。
電流互感器的二次側電流從S1流出,進入電流表的正接線柱,電流表負接線柱出來后流入電流互感器二次端子S2,原則上要求S2端子接地。
注:某些電流互感器一次標稱,L1、L2,二次側標稱K1、K2。
2穿心式電流互感器接線圖

穿心式電流互感器接線與普通電流互感器類似,一次側從互感器的P1面穿過,P2面出來,二次側接線與普通互感器相同。
二電流互感器接線圖
電流互感器接線總體分為四個接線方式:
1單臺電流互感器接線圖
只能反映單相電流的情況,適用于需要測量一相電流的情況。
單臺電流互感器接線圖
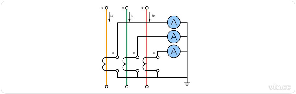
2三相完全星形接線和三角形接線形式電流互感器接線圖
三相電流互感器能夠及時準確了解三相負荷的變化情況。
三相完全星形電流互感器接線圖
三相完全角形電流互感器接線圖
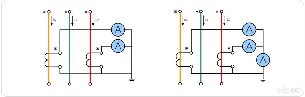
3兩相不完全星形接線形式電流互感器接線圖
在實際工作中用得最多,但僅限于三相三線制系統。它節省了一臺電流互感器,根據三相矢量和為零的原理,用A、C相的電流算出B相電流。
兩相不完全星形接線形式電流互感器接線圖
4兩相差電流接線形式電流互感器接線圖
也僅用于三相三線制電路中,這種接線的優點是不但節省一塊電流互感器,而且也可以用一塊繼電器反映三相電路中的各種相間短路故障,亦即用最少的繼電器完成三相過電流保護,節省投資。
兩相差電流接線形式電流互感器接線圖
5其它接線方式
5.1 原邊串聯、副邊串聯
電流互感器原邊串聯、副邊串聯接線圖如下所示,串聯后效果:互感器變比不變,二次額定負荷增大一倍。
電流互感器原邊串聯、副邊串聯接線圖
5.2 原邊串聯、副邊并聯
電流互感器原邊串聯、副邊并聯接線圖如下所示,串并聯后效果:互感器變比減小一倍,二次額定負荷增大一倍。
電流互感器原邊串聯、副邊并聯接線圖
5.3 原邊并聯、副邊串聯
電流互感器原邊并聯、副邊串聯接線圖如下所示,串并聯后效果:互感器變比增大一倍,二次額定負荷增大一倍。
電流互感器原邊并聯、副邊串聯接線圖
5.4 原邊并聯、副邊并聯
電流互感器原邊并聯、副邊并聯接線圖如下所示,并聯后效果:互感器變比不變,二次額定負荷增大一倍。