電壓、電流紋波因數測定及電流波形因數測定是直流電機試驗中的標準試驗項目,本文主要根據GB/T 1311 直流電機試驗方法對整流電源供電的直流電機紋波因數計算方法、波形因數計算方法進行介紹。

圖1示:直流電機波形采集示意圖
試驗中采用具備波形采集分析的設備對輸入電壓電流波形進行采集記錄,從而測定脈動電壓、脈動電流最大值、最小值。如上圖1所示,采用的是WP4000變頻功率分析儀作為波形采集記錄設備,既可以充當直流電機測試系統中電壓、電流、功率等參量的測試設備,亦可開放原始數據端口,采集前端測試波形數據,供上位機軟件分析處理。
電壓、電流波形不間斷時紋波因數的計算

圖2示:不間斷供電電壓電流波形圖
電壓、電流波形不間斷時,其紋波因數應按照下式計算:

式中:
K0CU——電壓紋波因數;
Umax——脈動電壓最大值,V;
U民——脈動電壓最小值,V。

式中:
K0CI——電流紋波因數;
Imax——脈動電流最大值,A;
Imin——脈動電流最小值,A。

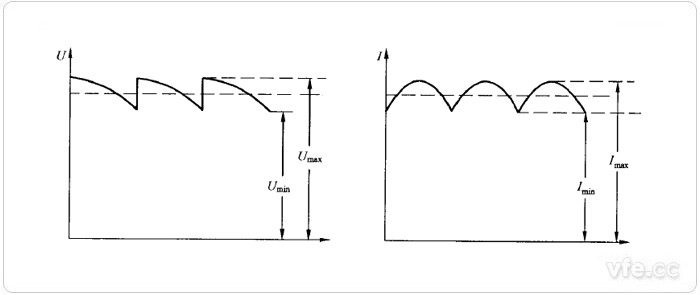
圖3示:間斷供電電壓電流波形圖
電壓、電流紋波間斷時,其紋波因數應當按照下式計算:

式中:
K0CU——電壓紋波因數;
Umax——脈動電壓最大值,V;
UaV——直流電壓平均值,V。

式中:
K0CI——電流紋波因數;
Imax——脈動電流最大值,A;
IaV——直流電流平均值,A。
電流波形因數按照下式計算:
式中:

Kf——電流波形因數;
Irms——電流的有效值,A;
IaV——電流的平均值,A。
【原文:http://m.ykdlmm.com/NewsDetail-1928.aspx,轉載務必帶鏈接注明出處,未注明必追究責任!】
上一篇:直流電機轉動慣量測定方法簡介
下一篇:直流電機電樞電流變化率測定