工頻耐電壓試驗主要用于對各種電氣產品、電器元件、絕緣材料等進行規定電壓下的絕緣強度試驗,考察被試產品的絕緣水平,找出被試設備的絕緣缺陷,衡量過電壓的能力。工頻耐電壓試驗對保證設備安全運行具有重要意義,下面本文主要根據相關國家標準介紹電動汽車電機工頻耐電壓試驗要求及試驗方法。
工頻耐電壓試驗在電機靜止狀態下進行,試驗輸入為工頻正弦波交流電壓。在耐電壓試驗開始試驗前,需要做好必要的安全防護措施,被試電機周圍應處于可監控狀態。
工頻耐電壓試驗前應先測量繞組的絕緣電阻,并且工頻耐電壓試驗應當在超速、偶然過電流、短時過轉矩試驗及短路機械強度試驗后進行。型式試驗時,工頻耐電壓試驗應在溫升試驗后立即進行。
當電樞繞組各相或各支路始末端單獨引出時,應分別進行試驗。試驗時被試繞組兩端同時施加電壓(對小型電機可在繞組一端施加電壓),此時,不參加試驗的其他繞組和埋置檢溫元件等均應與鐵心或機殼作電氣連接,機殼應接地。如果三相繞組的中性點不易分開,三相繞組應同時施加電壓。
工頻耐壓試驗變壓器應有足夠的容量,如被試電機繞組的電容C較大時,則試驗變壓器的額定容量SN(KVA)應大于式子計算量:

式中:
f——電源頻率,單位為赫茲(Hz);
U——試驗電壓值,單位為伏(V);
UNT——試驗變壓器的高壓側額定電壓,單位為伏(V);
C——電機被試繞組的電容,單位為法(F)。
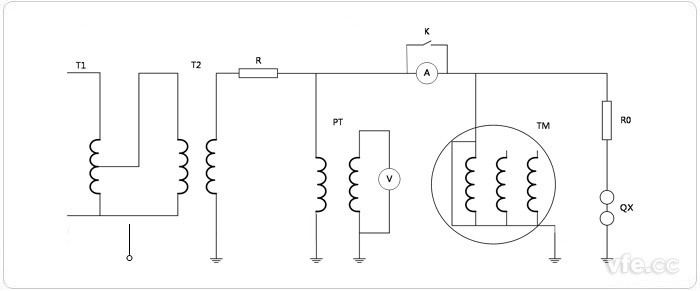
工頻耐電壓試驗接線原理圖如下圖所示:

圖示:工頻耐電壓試驗原理圖
圖中T1為調壓變壓器,T2為高壓試驗裝置,PT為電壓互感器,R為限流保護電阻,其值一般為每伏(0.2~1)Ω,R0為球隙保護電阻(低壓電機試驗時不接),其值一般可用每伏1Ω,QX為過電壓保護球隙(低壓電機試驗時不接),V為電壓表,TM為被試電機,其中球隙和球徑按高壓電氣設備絕緣試驗電壓和試驗方法的規定選擇,球隙的放電電壓應調整到試驗電壓的(1.1~1.15)倍。如果需測量電容電流,可在試驗裝置高壓側接入電流表和電流表并聯的短路保護開關。如電流表接在低壓側則應注意雜散電流對讀數的影響。
試驗時,施加的電壓從不超過試驗電壓額定值的一半開始,然后以不超過額定值5%均勻地或分段地增加至額定值,電壓自半值增加至全值的時間應不少于10s。全值試驗電壓值應符合GB 755中耐電壓試驗要求的規定,并持續1min。
對批量生產的5KW(或KVA)及以下電機進行常規試驗時,1min試驗可用約5s的試驗代替,。也可用1s試驗來代替,但試驗電壓應為GB 755中耐電壓試驗規定電壓的120%,試驗電壓用試棒施加。試驗完畢,亦應均勻降壓,待電壓下降到全值的三分之一以下時,方可斷開電源,并將被試繞組進行放電。
試驗過程中,如果發現電壓表指針擺動很大,電流表指示急劇增加,絕緣冒煙或發生響聲等異常現象時,應立即降低電壓,斷開電源,將被試繞組放電后再對繞組進行檢查。
【原文:http://m.ykdlmm.com//NewsDetail-1880.aspx,轉載務必帶鏈接注明出處,未注明必追究責任!】
上一篇:同步電機效率測量方法簡介
下一篇:直流電機效率測量方法簡介