光伏發電作為一種新型的清潔能源,得到越來越來廣泛的應用。然而光伏發電系統自身特性的研究以及對電力系統的影響并沒有系統的研究方案。本文介紹一種光伏發電系統試驗平臺的搭建方式以及詳細試驗方法,希望可以為規范光伏發電系統提供技術支持和解決方案。
目前相關標準在電能質量檢測項目有:(頻率偏差、電壓偏差、電壓波動與閃變、三相不平衡、暫時或瞬態過電壓、諧波含量和波形畸變(諧波)、直流分量、電壓暫降、中斷、暫升以及供電連續性,功率因素)等。
當前已有的光伏檢測標準如《IEEE1547》分布式資源與電力系統的互聯標準都是針對低占比的情況,而現在隨著光伏的占比越來越高,對于逆變器而言,支持電網接受高占比的高級功能的需求已經顯著地增加。而這些高級功能在原有的標準中并無體現,例如無功電壓控制、電壓穿越能力、頻率穿越能力、有功頻率控制、緩變率控制以及通訊等項目的測試。
微型獨立光伏發電系統測試主要部件:
1. 光伏陣列
2. 蓄電池組
3. 逆變器
4. 控制器
5. 測試系統
6. 可調阻性負載
在搭建平臺和進行測試過程中參照《GBT 20321.1-2006 離網型風能、太陽能發電系統用逆變器 第1部分:技術條件》,《GBT 20321.2-2006 離網型風能、太陽能發電系統用逆變器 第2部分:試驗方法》,獨立光伏發電系統技術要求-福建省地方標準《DB35/T 962-2009》等;測試方案如圖1所示。逆變器接受來自于光伏陣列的直流能量注入,阻性負載產生線性和非線性的電流負載,有效地模擬各種典型的家用負載的行為,例如電腦、廚房電器、電視、空調等設備;DH2000新能源測試系統用于監測分析光伏陣列、逆變器、負載的電能變化(系統測試原理圖1),在實驗中,可以用直流調壓器模擬光伏發電部分,原理圖如圖2所示。

圖1 光伏發電系統測試平臺原理圖

圖2 光伏發電系統測試平臺實驗原理圖
測試電路如圖2,在輸人電壓以額定值的90%~120 %進行變化、輸出為額定功率時,測量其輸出頻率值,應符合相關標準中的規定。
測試電路如圖2,輸人電壓及輸出功率為額定值時,測量輸出電壓的最大波形失真度,應符合相關標準中的規定。
測試電路如圖2,輸入電壓為額定值時,測量負載為滿載的75%時的效率,應符合相關標準中的規定。
當輸入電壓為額定值時,在設備高度1/2 、正面距離3m處用聲級計分別測量50%額定負載與滿載時的噪聲,應符合相關標準中的規定。
測試電路如圖2,當輸入電壓與輸出功率為額定值時,檢查逆變器的連續可靠工作時間,應符合相關標準中的規定。
當輸入電壓為額定值、 輸出功率為額定值的125%時,檢查逆變器的連續可靠工作時間, 應符合相關標準中的規定。
當輸入電壓為額定值、 輸出功率為額定值的150%時,檢查逆變器的安全工作時間,應符合相關標準中的規定。
測試電路如圖3,將直流電源接到蓄電池輸人端,模擬蓄電池的電壓。將可變電阻接到負載端,模擬負載。將放電回路的電流調到額定值,然后將直流電源的電壓調至欠壓斷開 LVD點,控制器應能自動斷開負載;將電壓回調至恢復點,控制器應能再次接通負載。如果是帶欠壓鎖定功能的控制器,當直流輸人電壓達到欠壓恢復點之上,控制器復位后應能接通負載。(欠壓保護:使輸人電壓低于標稱值90 %時, 逆變器應能自動關機保護。過電流保護使逆變器工作電流超過額定值50%時, 逆變器應能自動保護)

圖3 欠壓斷開(LVD)和恢復功能測試
測試電路如4,斷開 PV輸人和負載輸出,直流電源接在控制器的蓄電池端,當相關器件不工作時,測量控制器的輸入電流應符合相關標準的規定。

圖4 空載損耗(靜態電流)測試
測試電路如圖5,將電流表加在太陽能電池組件的正、負端子之間( 相當于將太陽能電池組件端短路),調節接在蓄電池端的直流電源電壓,檢查有無電流流過。如果沒有電流, 說明具有反向放電保護。

圖5 反向放電保護測試
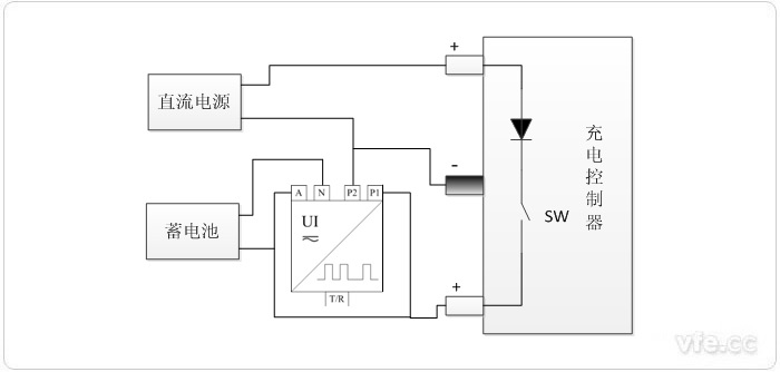
測試電路如圖6,用直流穩壓電源代替太陽能電池方陣通過控制器給蓄電池充電。當蓄電池電壓接近充滿點時,充電電流逐漸變小;當蓄電池電壓達到充滿值時,充電電流應接近于0。當蓄電池電壓由充滿點向下降時,充電電流應當逐漸增大。

圖6 脈寬調制型控制器測試
本文中搭建的光伏發電系統是基于微型離網型光伏發電,主要針對逆變器展開對(輸出電壓、頻率、波形畸變率、效率、功率波動、保護性能、負載等級、空載損耗、溫升)等試驗項目的測試。本光伏發電系統測試平臺搭的建可以為產品在新能源應用方面提供一個驗證與研究的環境平臺,希望可以在光伏測試計量行業可以找到一個應用的切入點,進而為產品開拓光伏發電領域提供技術支持和解決方案。
【原文:http://m.ykdlmm.com/NewsDetail-1858.aspx,轉載務必帶鏈接注明出處,未注明必追究責任!】
下一篇:測量誤差的定義及分類