1. 溫度:水泵進口水管內液體溫度(1路),備用7路,為電機繞組溫度測量預留,總共8個通道,測量對象為 PT100鉑電阻;
2. 壓力:水泵進出口壓力(2路),測量對象為壓力計輸出信號0-20mA標準模擬量;
3. 轉速:水泵實時轉速(1路);
4. 流量:管道出口流量(1路),測量對象:流量計輸出信號0-20mA標準模擬量;
5. 閥門控制:3個電磁閥電動閥門控制,開關量輸出控制,定點控制,觸動控制;
6. 軸功率:拖動電機輸出功率(水泵輸入功率);
7. 電機輸入功率:拖動電機輸入功率,輸入電壓、電流、頻率等電參量測量。
1. 能全面、快速、準確的采集水泵試驗各項性能參數并集中顯示;
2. 軟件分析得出水泵效率,拖動電機效率,整個水泵機組效率;
3. 軟件繪制出平滑的電機啟動曲線(帶水泵);
4. 采用電子軸功率測試儀測量拖動電機輸出功率,也即水泵輸入功率;
5. 漏磁感應法測量拖動電機異步轉速;
6. 可移動式,測量方便,接線方便。
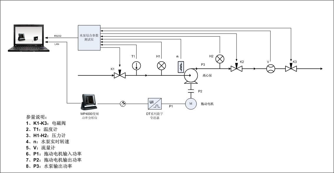
水泵機組綜合參數測試方案原理圖如下所示:

水泵機組綜合參數測試方案
在本方案設計圖中,壓力計分別用于測量距水泵距離為L的進口壓力及出口壓力值H1、H2。流量計用于測量水泵輸出的流量V。PT100鉑電阻,用于測量進水口液體溫度T1。漏磁感應式轉速計,用于測量電機轉子感應電壓頻率f1。DT系列數字變送器,用于測量拖動電機三相電參量,包含三相電壓、三相電流、頻率、功率、功率因數等。
通過本設計方案進行試驗,可以得到的技術參數如下:
1、水泵轉速
漏磁感應式轉速計通過感應電機的漏磁,得到感應電壓信號進入綜合參數測量儀,測得電機轉子的感應電壓頻率f1,定子感應電壓頻率f2,則水泵轉速n由如下公式求出:n=電機同步轉速-(f1/f2)x同步轉速;
2、電機輸入功率
電機輸入功率由AnyWay變頻功率測試系統(WP4000變頻功率分析儀+DT系列數字變送器)直接測量,數據經LAN局域網通過網線或者光纖將數據傳輸至上位機進行實時數據顯示及分析;
3、電機輸出功率
電機輸出功率由TN4000電子式扭矩儀進行測量,只要測量拖動電機的輸入電壓、電流、轉速、溫度等參數,就可以準確的計算出電機的輸出軸功率,摒棄了傳統的扭矩儀測量軸功率方式,省去了扭矩儀的安裝與電機對偶等工序;
4、水泵輸出功率
要測量水泵的輸出功率,只要通過測量水泵進出口壓力H1、H2及管道流量V,就可以通過相關公式計算出水泵在水體溫度為T1、水泵轉速為n的情況下的輸出功率P3,水泵的輸出功率計算公式為:P3=(H2-H1)/ ρg+(v^2)/2g+Z,其中ρ為液體密度,g=9.8,v為液體流速,Z為液體在兩進出口壓力計安裝點之間的管道阻力耗能(可以對比標準表查出);
5、水泵效率η1
水泵效率η1=水泵輸出功率/水泵輸入功率=P3/P2;
6、電機效率η2
拖動電機的輸入功率P1由變頻功率測試系統測量得出,則可以求出拖動電機此時的效率η2=P2/P1,方便用戶與電機的標稱效率值進行對比;
7、機組效率η3
整個水泵機組的效率η3=P3/P1,用于衡量整個系統的效率;
8、啟動曲線
拖動電機電參量通過網線直接傳輸至上位機,通過提高數據采樣率及合適的數據處理方式(滑動平均處理等),軟件繪制出平滑的電機(帶水泵)啟動曲線;
9、流量與流速控制
通過上位機軟件配合水泵綜合參數測試裝置,可以遠程實現K1-K3 3個電磁閥門的粗調與微調,實時控制管道內液體的流量與流速;
1、TN4000水泵綜合參數測試儀:
集成8通道PT100溫度測試(測量精度±1℃)、DT數字變送器(測量精度0.2%)、DM4022漏磁感應式轉速計(測量精度0.1%)、4通道開關量控制功能。用于水泵綜合參數的測量,與上位機通訊方式為RS485,采樣周期為20ms/次;
2、變頻功率測試系統:包含WP4000功率分析儀及DT系列數字變送器,用于拖動電機輸入電壓、電流、頻率、功率、功率因數等電參量的測量,與上位機通訊方式為TCP/IP;
3、筆記本電腦:用于安裝水泵綜合參數分析軟件,控制軟件,顯示軟件,試驗報表軟件等;
4、其它設備: PT100鉑電阻、壓力計、流量計、繞線式感應線圈、信號線纜、光纖等;
本系統配置水泵綜合參數分析軟件,主要如下包含3大部分功能:
1、參數顯示
參數顯示界面上顯示參量包含電機輸入電參量(U、I、P等),電機輸出軸功率,水泵轉速,水泵輸出功率,壓力,流量,水泵效率,電機效率,機組效率等,(軟件界面顯示形式、風格多樣化,用戶可選擇);
2、數據記錄
按用戶需求實時記錄采集的各項參數,可以生成數據記錄文檔,繪制啟動曲線,波形回放;
3、實時控制
控制界面上可以通過水泵綜合參數測試裝置,發送閥門打開與閉合指令,達到遠程控制閥門,調節管道中液體流量與流速的目的。
這套水泵機組綜合參數測試系統方案用于水泵機組試驗具有如下特點:
1、綜合全面的測量及顯示水泵試驗各項性能參量;
2、精確測量拖動電機的輸入功率,P1;
3、電子式扭矩儀精確測量水泵的輸入功率,P2;
4、實時計算水泵的輸出功率,P3;
5、準確驗證電機的效率η1;
6、準確測量水泵的效率η2;
7、準確測量整個水泵機組效率η3;
8、適用于絕大多數水泵機組試驗。