一概述
標準互感器是指在交流測量中作為互感標準的量具,主要針對基層供電及生產部門的需要設計,在互感器的誤差試驗中用作校驗標準,一般用于檢定比其低兩級或兩級以下準確等級的互感器。
標準互感器主要分為標準電壓互感器及標準電流互感器兩種。
檢定電流互感器時,標準電流互感器與被檢電流互感器電流比必須相同;
檢定電壓互感器時,被檢電壓互感器與標準互感器的輸入或輸出標準值可能不一致,因此需要對標準互感器側的電壓進行變換,以使兩者一致;
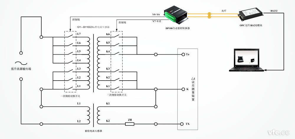
由于標準互感器設置多個一次、二次繞組的極性端,以便適用于不同變比的互感器進行校準,因此實際操作時,需要頻繁進行標準互感器的變比變換,以往實驗室一般都采取人工手動更換互感器一次、二次繞組極性端的接線,操作麻煩,效率低,且容易引發安全事故。
二DP100自動量程轉換器
DP100自動量程轉換器是湖南銀河電氣有限公司研制的一種自動量程切換裝置,該裝置也可用于標準互感器的變比變換,一個DP100自動量程轉換器提供16路繼電器控制輸出,每路繼電器包含一個無源常開觸點和一個常閉觸點,可根據實際情況對連接方式進行靈活配置。采用光纖作為通訊介質,具有隔離電壓高、電磁兼容性好、抗雷擊等特點,能夠有效地避免外部電磁干擾對控制線路引起的誤操作。
應用DP100自動量程轉換器,用戶只需在上位機軟件上進行簡單操作,即可實時切換標準電壓互感器、電流互感器的變比,安裝及維護簡單,為實驗人員節省了大量時間,提高了工作效率,增強系統的安全性能。
三技術參數
基本技術指標如下:
供電方式:AC220V,50/60Hz
通訊接口:ST光接口/RS485
控制方式:無源常開/常閉觸點輸出
功耗:≤2W
工作溫度:-10℃~40℃
相對濕度:≦90%(無冷凝)
存儲溫度:-40℃~60℃
四應用實例
以GY—B110G3型標準電流互感器為例,L與K 分別是一次、二次繞組的極性端,其實際應用原理如下圖所示:
