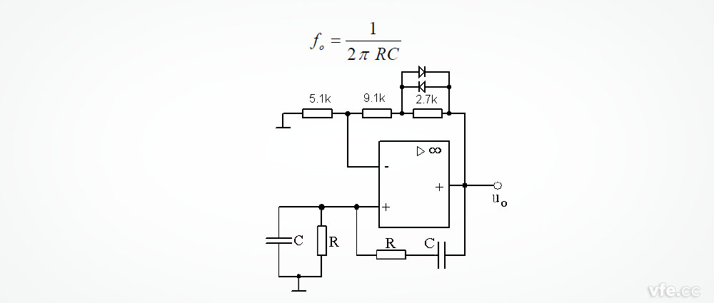
文氏橋振蕩器的電路原理圖如下:

從電路構成看,電路由兩個“橋臂”構成,R1、RF構成負反饋橋臂,并聯RC網絡和串聯RC網絡再串聯構成正反饋橋臂。也就是說,文氏橋振蕩器既有正反饋,又有負反饋。
我們知道,正反饋電路是不穩定系統,那么,整個電路到底表現為正反饋,還是負反饋呢?這要取決于正反饋和負反饋哪個占“上風”!
負反饋增益為A1=1+RF/R1
正反饋增益A2(jf)=1/(3+j(f/f0-f0/f))
總增益A(jf)=A1*A2(jf)=(1+RF/R1)/(3+j(f/f0-f0/f))
上式中f0=1/2πRC,先定性分析:
頻率無窮低時,即f趨于0時,f0/f趨于無窮大,總增益趨于零。
頻率無窮高時,即f趨于∞時,f/f0趨于無窮大,總增益趨于零。
直觀判斷,是一個帶通網絡,事實上,的確如此,并且增益的峰值出現在f=f0
此時A(jf)=(1+RF/R1)/3
即:A(jf)是實數,也就是說,頻率為f0的信號經過環路一周后,其相移為0°。
RF/R1的值不同時,電路出現下述三種情況:
a、A<1時,假如電路有一個擾動,擾動每經過環路一次,信號被衰減,負反饋占“上風”,電路是穩定系統,最終擾動趨于零。
b、A>1時,假如電路有一個擾動,擾動每經過環路一次,信號被放大,正反饋占“上風”,電路是不穩定系統,出現幅度不斷增大的振蕩。
c、A=1時,負反饋與正反饋“旗鼓相當”,電路為中性的穩定狀態,出現擾動時,頻率為f0的信號分量維持原有大小,無限的持續下去。
顯然,上述電路還會有問題,首先,實際不可能做到A=1,其次,振蕩器的輸出幅值不可控。為此,最好是開始時,振蕩幅值足夠大之前,A>1,振蕩幅值達到預定的幅值之后,A=1,顯然,這樣的電路,需要加入一些非線性環節。
下述電路就是這樣的電路:
