根據GB/T 18384.1 電動汽車 安全要求第1部分:車載儲能裝置中的定義中高壓電池系統屬于B級電壓,最大工作電壓>30VAC(RMS)、≤1000VAC(RMS)或>60VDC、≤1500VDC。高壓電池系統的電氣安全直接關系到系統應用人員生命安全,絕緣失效會造成高壓對人體的直接傷害,因此絕緣電阻的檢測測試是即為重要的環節。
高壓電池本身為帶電系統,其絕緣檢測測試屬于是對帶電設備的檢測,一般通過檢測電池正對地、負對地的絕緣電阻來判定絕緣性能。高壓電池系統的絕緣檢測一般有兩種檢測方式:一種是信號注入法,另一種是電阻測量法。信號注入是對電池系統注入一定頻率的直流電壓信號,測量反饋的直流信號,從而計算絕緣電阻,注入的信號對電池系統會產生紋波干擾,影響系統正常工作。而電阻測量法采用外接電阻,測量精度相對較低,需要考慮檢測精度,而且長時間接入測量電阻,降低了系統絕緣性,增加了電池損耗。下面本文主要介紹三種外接的電阻測量法:

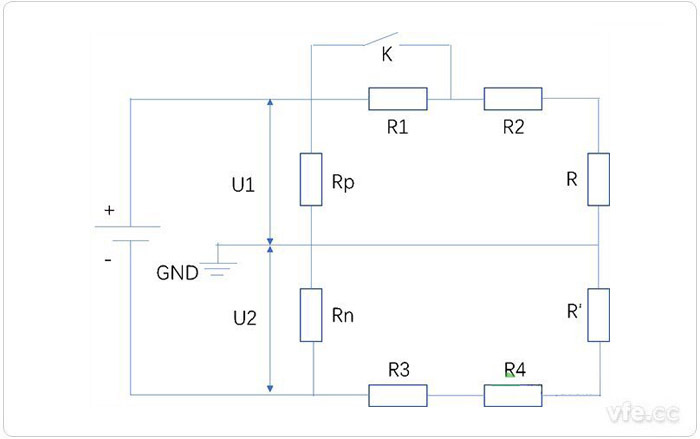
通過電子開關改變電路通斷,從而改變電池正負極對地絕緣電阻Rp、Rn上的電壓U1、U2(閉合K得到的電壓用U1’、U2’表示),聯立兩次不同開關狀態下的電路方程可以求解正負極的對地GND絕緣電阻。其中R1~R4為已知大電阻,R、R’為已知的分壓電阻,其阻值遠小于R1~R4。開關K斷開時,通過AD轉換得到Rp、Rn兩端電壓,得到下列方程:

開關K閉合時,同理得到另一個方程:

通過兩個方程可以求解得到Rp、Rn。

屬于無源測量法,在直流電源與接地外殼之間接入一系列電阻,通過控制開關、或繼電器切換切入已知電阻,測量已知電阻上的電壓U1、U2(K閉合時為U1’、U2’),得到方程求解絕緣電阻Rp、Rn。
K斷開時,得到:

K閉合時,得到:

兩個方程可以求解得到Rp、Rn。

采用下圖的測量原理,其中R1、R2為已知電阻,K1、K2斷開,測量電池正、負端與GND之間的電壓為U1、U2,可得:

K1閉合、K2斷開,電池正端與GND之間接入R1,此時電池正、負端與GND之間的電壓為U1’、U2’,可得:

兩個方程可得Rp、Rn。
上述的三種方法都是通過采集對應電阻上的電壓、求解方程得到電池正負端對地的絕緣電阻。GB/T18384.1的5.1.3節提供了另一種測量方法,是目前比較常用的(具體原理圖可以直接參考該標準)。該方法測量電阻上的電壓時,由于萬用表內部有內阻,內阻對電路有分流作用,電壓測量存在誤差,因此要求萬用表的內阻必須很高,這樣才能減小誤差,在實際測量中,一般要求萬用表內阻至少為10MΩ。另外,該方法屬間接測量,會產生間接誤差,誤差的計算在實際應用中是需要考慮進去。
下一篇:電機試驗之電機振動測試簡述