高壓電容電橋是一種測量工頻電流比率的裝置,下面本文主要根據高壓電容電橋檢定規程介紹高壓電容電橋工作原理、類型及基本誤差檢定的相關內容。
高壓電容電橋從工作原理上可以認為是一種測量工頻電流比率的裝置。當工頻高壓施加在高壓標準電容器和被測設備上時,即產生與它們的電容量和介質損耗因數成比例的同相及正交工頻電流分量,這兩個工頻電流分量經電橋作比例測量后,即可得到被測設備相對于高壓標準電容器的電容量比值與介質損耗因數差值。
電橋的電流比例臂由電阻器構成,流過參考電流的比例臂上并聯有移相電容器,采用電勢平衡指示。
電橋的電流比例臂由電流比較儀的比例繞組構成,流過參考電流的比例臂上附有移相電路,采用磁勢平衡指示。按移相方式可以把這類電橋分為有源與無源兩種,屬于無源的一種用阻容電路直接移相;屬于有源的一種用電子方法元件配合阻容元件正交移相。用磁勢合成方法實現所需相移。
使用電子電路(包括模擬電路和數字電路)測量幅值比和相位差的高壓電容電橋。
采用數字信號處理方法測量幅值比和相位差的高壓電容電橋。
高壓介損儀一般是指由高壓電容電橋、高壓試驗電源和高壓標準電容器組成的測量裝置。高壓試驗電源通常不高于10KV,頻率40Hz~70Hz。
西林型高壓電容電橋和自動變換量程的電子式或數字式電橋的基本誤差為:


電流比較儀型高壓電容電橋和手動變換量程的電子式或數字式電橋的基本誤差為:


符號意義:
△X——電容比率絕對誤差限值;
△D——介質損耗因數差值絕對誤差限值;
A——用百分數表示的電容比率測量準確度級別;
B——用百分數表示的介質損耗因數差值測量準確度級別;
X——電容比率測量示值;
D——介質損耗因數測量示值;
RN——電容比率量程定標值。它等于該量程最大比率值按一位有效數字化整的數值。
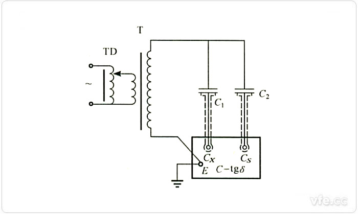
電橋的電容比率基本誤差采用圖1的電容比較線路整體檢定。

圖1:用電容比較線路檢定電容比率
圖中:TD——調壓器;T——試驗變壓器;C1、C2——標準空氣電容器;
C-tgδ——被檢電橋
整體檢定高壓電容電橋電容比率測量準確度時,電橋的測量誤差按下式計算:


各符號意義:
△X——電容比率絕對誤差;
△D——介質損耗因數差值絕對誤差;
X——電容比率示值;
D——介質損耗因數示值;
CXQ,DXQ——接在Cx端鈕的等效電容與介質損耗因數值;
CSQ,DSQ——接在Cs端鈕的等效電容與介質損耗因數值。
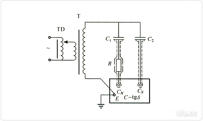
電橋的損耗因數基本誤差采用圖2所示的電容比較線路進行整體檢定。

圖2:用電容比較線路檢定損耗因數
圖中:TD——調壓器;T——試驗變壓器;C1、C2——標準空氣電容器;
R——交流電阻;C-tgδ——被檢電橋
整體檢定高壓電容電橋介質損耗因數差值測量準確度時,電橋的測量誤差按下式計算:
各符號意義:
△X——電容比率絕對誤差;
△D——介質損耗因數差值絕對誤差;
X——電容比率示值;
D——介質損耗因數示值;
Cx——接在Cx端鈕上的電容;
Cs、Ds——接在Cs端鈕上的電容與介質損耗因數值;
D0——介質損耗因數零位值;
Kp——修正系數,參照表1選?。?/p>
KF——修正系數,參照表2選取。

表1:電容比率示值與介質損耗因數示值的關系

表2:破裂修正系數KF
下一篇:測量儀器示值誤差描述