根據最新頒布的《JJF 1558-2016測量用變頻電量變送器校準規范》,變頻電壓變送器校準包括電壓校準和相位校準,電壓校準可以采用標準源法或者標準表法,本文詳細對電壓和相位的校準方法做詳細的介紹。
變頻電壓變送器校準點按下表選取,其頻率選取包括工作頻率范圍上下限在內的不少于5個頻率點;延時相移的校準可在工作頻率范圍內的40%Ub點同步進行,也可按用戶要求選取。
| 電壓校準點 | ||||
| 100%Ub | 80%Ub | 60%Ub | 40%Ub | 20%Ub |
| 注:Ub為電壓變送器標稱電壓;校準點0僅適用于直流輸出變送器。 | ||||
電壓變送器包括電壓輸出型電壓變送器、電流輸出型電壓變送器、數字輸出型電壓變送器,校準接線分別如圖1、圖2、圖3所示,輸出負載根據說明選取電阻值或者空載。按照校準點設置選擇標準源的輸出Ar,讀取變送器輸出值Bx,按式(1)計算變送器的誤差。
(1)
式中:Bx——被校變送器的輸出值;
Br——輸入電壓為Ar時,被校變送器的輸出期望值;
Bf——被校變送器的輸出引用值(量程上限或者標稱范圍上限)

圖1 電壓輸出型電壓變送器標準源法校準電壓接線圖

圖2 電流輸出型電壓變送器標準源法校準電壓接線圖

圖3 數字輸出型電壓變送器標準源法校準電壓接線圖
Ruo—電壓負載電阻;Rio—電流負載電阻;DMM—數字多用表
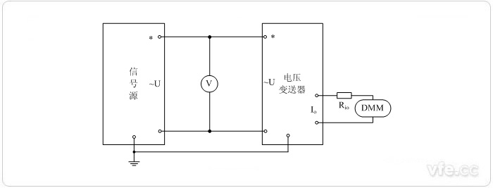
電壓變送器標準表法校準接線如圖4、圖5、圖6、圖7所示,輸出負載根據說明選取電阻值或者空載。當電壓超出標準電壓表量程時,可采用分壓器或電壓互感器擴展標準電壓表的量程。按照校準點設置選擇信號源的輸出,讀取標準電壓表讀數Ar和變送器輸出值Bx,按式(2)計算變送器誤差。
(2)
式中:Bx——被校變送器的輸出值;
Br——輸入為KUAr時,被校變送器的輸出期望值,KU為分壓器變比,標準表直接測量時取為1;
Bf——被校變送器的輸出引用值(量程上限或者標稱范圍上限)。

圖4 電壓輸出型電壓變送器電壓校準接線圖

圖5 電流輸出型電壓變送器電壓校準接線圖

圖6 電壓輸出型電壓變送器(分壓器擴展標準表量程) 電壓校準接線圖

圖7 電流輸出型電壓變送器(分壓器擴展標準表量程) 電壓校準接線圖

圖8 電壓輸出型電壓變送器(電壓互感器擴展標準表量程) 電壓校準接線圖

圖9 電流輸出型電壓變送器(電壓互感器擴展標準表量程) 電壓校準接線圖

圖10 數字輸出電壓變送器電壓校準接線圖

圖11 數字輸出電壓變送器(分壓器擴展標準表量程) 電壓校準接線圖

圖12 數字輸出型電壓變送器(電壓互感器擴展標準表量程) 電壓校準接線圖
V—標準電壓表;Ruo—電壓負載電阻;Rio—電流負載電阻;DMM—數字多用表
延時相移校準接線如圖4 所示,輸出負載根據說明書選取電阻值或者空載。當輸入超出相位計輸入限值時,可采用分壓器變換至相位計輸入范圍。按照6.2.2.1選擇校準點,設置信號源的電壓輸出,讀取相位計示值作為變送器的延時相移。

圖13 交流電壓輸出型電壓變送器相位誤差校準接線圖

圖14 交流電流輸出型電壓變送器相位誤差校準接線圖

圖15 交流電壓輸出型電壓變送器(相位計采用分壓器輸入)相位誤差校準接線圖

圖16 交流電流輸出型電壓變送器(相位計采用分壓器輸入)相位誤差校準接線圖
本文根據最新頒布的《JJF 1559-2016變頻電量分析儀校準規范》詳細介紹了變頻電壓變送器校準方法,《JJF 1559-2016變頻電量分析儀校準規范》是目前為止,唯一對變頻電量校準方法做出詳細規范的國家標準,對變頻電量校準的做出了嚴格的規范。