電子負載即電子負荷,電子負載能消耗電能,使之轉化成熱能或其它形式的能量。電子負載由電阻,電感,電容,晶體管,集成電路組成,主要用于模擬真實環境中的負載(用電器)。
由于電子負載的特殊性能(提供強大的測試環境,以滿足不同的外界需求),故在電子儀器儀表中占有很大的一片市場主要適用于各種電源、電池、適配器及需要電子負載測試場合。一般對電源要求比較嚴格的廠家都會用電子負載來檢測電源的好壞,電子負載可以調節負載大小,以及短路,過流,動態等等,應該說所有的電源廠家都會有用,而且也必須有。
電子負載的原理是控制內功率MOSFET或晶體管的導通量(量占空比大小),靠功率管的耗散功率消耗電能的設備,它能夠準確檢測出負載電壓,精確調整負載電流,同時可以實現模擬負載短路,模擬負載是感性阻性和容性,容性負載電流上升時間。
靜態的電子負載可以是電阻性(如功率電阻、滑線變阻器等) 、電感性、電容性。但實際應用中,負載形式就較為復雜,如動態負載,消耗功率是時間函數,或電流、電壓是動態的,也可能是恒定電流、恒定電阻、恒定電壓,不同峰值系數(交流情況下),不同功率因數或瞬時短路等。目前市面上的電子負載均有基本的四項功能:恒流、恒壓、恒阻和恒功率。
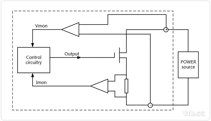
下圖電子負載原理框圖。電子負載包括如下幾個部分:
1) 電壓反饋電路
2) 電流反饋電路
3) 功率電路
4) 控制電路

圖示:電子負載原理框圖
01定電流(CC)模式:
定電流模式中,不論輸入電壓多少,電子負載將根據設定值來吸取導入電流。定電流模式通常應用在測試電壓源、AC/DC電源的負載調整率和蓄電池放電,尤其為開關電源主流測試。
02定電阻(CR)模式:
在定電阻模式中,電子負載將吸取與輸入電壓成線性正比例的負載電流。定電阻模式應用在測試電壓源或電流源和電源激活測試,用于測試電源的啟動與限流特性,相應于滑線變阻器,不易受溫度影響。
03定電壓模式(CV):
在定電壓模式中,電子負載將吸取足夠電流以控制電壓穩定在設定值。定電壓模式應用在測試電流源,通常使用于測試電源的限流特性。定電壓模式可以仿真電池的端電壓,故亦可使用于測試電池充電器。
04定功率模式(CP):
在定功率模式中,電子負載流入的負載電流根據所設定的功率大小改變,此時負載流入的電壓與電流乘積等于所設定功率值。定功率模式主要應用于電池容量壽命測試。
05動態負載:
動態負載操作是周期性在兩個負載狀態之間切換。電源的調整率和瞬態反應在高低電流水平、持續時間和升降率的混合變化下用示波器監視它的輸出電壓波形。動態負載模式應用于測試電源的整體回路反應,即瞬時響應和回復時間(Recovery Time)測試。實際上大部份負載為動態負載,例如計算機磁盤驅動器動作或不動作時工作電流的變化,動態負載模式能仿真這種狀況(脈沖型負載)。
06峰值系數負載:
峰值系數是波形峰值與真有效值的比率,通常用來說明一個交流電源能夠在不失真的情況下輸出峰值負載電流的能力:
Crest Factor=Ipeak/Irms
大部分電源輸入回路包括一個整流二極管和電容濾波電路,會產生一個脈沖交流電流,這是造成電子產品輸入功率因素降低(0.6~0.7)的主要因素,PC用電源輸入電流峰值系數約為2~3。
07功率因數負載:
功率因數是平均功率值除以Vrms×Arms。當電壓和電流波形是正弦波時,下列公式有效:Pav=Average Power=Vrms×Arms×P.F。單純的電阻負載,電壓及電流波形為同相,此時φ=0°,那么cosφ=cos0°=1=P.F.。
當負載從純電感性變到電阻性再到純電容性時,電流與電壓相位差從-90°到0°再到+90°,同時功率因素從0變到1再到0。交流電子功率因素負載能夠仿真電感性或電容性負載,通過程序設計功率因素在0到±1范圍內可變。
08負載短路:
指一個DC或AC電源輸出端有很低的輸出阻抗。當發生短路時,電源的保護電路應產生作用來限制輸出電流,它是為了保護電源以避免危險或保護接在電源上的負載受損。
1) 液晶等電腦組件生產企業:可以使用電子負載實現其內部供電模塊的測試以及老化;
2) 開關電源、LED廠家:一般的,電子負載可實現直流電源供應器的電源穩定性、負載穩定性、輸出電壓調整和瞬態特性等參數的測試。(對于多路輸出的電源可以使用組合附在測試);
3) 適配器/充電器廠家:測試電池適配器輸出電壓和電流的調整能力是很重要的,它將保證正確地對設備供電和對設備電池充電。可以使用CC和CR工作模式進行常規性能測試,可以使用OCP和SHORT等功能測試產品的保護動作測試。充電器的調節時間、充電時間等均可由負載的拉載時間測試出。
在電子制造和應用領域,無論是研發、生產,還是質檢和維護都必然要用到一種儀器——電子負載。電子負載作為一種測量各種電源的專業儀器設備,市場的專業性比較強,縱觀整個電子負載市場,競爭品牌雖然不是很多,但是也不是很少,并且各品牌都具有自己的特色,目前的主流品牌主要有:

電子負載發展到現階段,技術已經十分先進,非常符合當前電子制造和應用市場的發展需求:它功能強大,可以自行自動測試、模擬測試和過載測試,同時還可以進行序列測試;它操作靈活,通過操作軟件的完全圖形化界面,更加方便了使用者進行各種數據分析;它集成方便,不但可以和高速數據采集設備構成自動測試系統,而且還可以對被檢測設備提供全方位的保護。