變壓器空載試驗是變壓器的例行試驗之一,其主要目的是測量額定電壓下鐵芯中的空載電流和空載損耗,以檢測磁路的局部或整體缺陷。另外,在感應耐壓試驗前后,通過兩次空載損耗測量結果的比較,還可以判斷繞組是否有匝間擊穿等情況。
一變壓器空載試驗分析
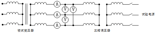
一般說來,變壓器空載試驗可以在變壓器的任何一側進行。試驗時人們往往將額定頻率的正弦電壓加在低壓側線圈上,而高壓側開路(單相變壓器、三相變壓器空載試驗原理圖如圖1、圖2所示)。 
圖1示:單相變壓器空載試驗原理圖

圖2示:三相變壓器空載試驗原理圖
當變壓器空載試驗時高壓側開路,低壓側加壓。變壓器低壓側利用調壓器慢慢升高至額定電壓,此時空載電流很低,空載電流可達到額定電流0.1%,在測量時應考慮量程匹配問題,必須選擇寬范圍電流傳感器或者多量程電流傳感器。
變壓器空載試驗的試驗電壓是低壓側的額定電壓,變壓器空載試驗主要測量空載損耗。空載損耗主要是鐵損耗,鐵損耗的大小可以認為與負載的大小無關,即空載時的損耗等于負載時的鐵損耗,但這是指額定電壓時的情況。如果電壓偏離額定值,由于變壓器鐵芯中的磁感應強度處在磁化曲線的飽和段,空載損耗和空載電流都會急劇變化,因此,空載試驗應在額定電壓下進行。
由于變壓器工作在空載狀態,空載電流很小,且主要用于構建勵磁磁場,此時繞組銅損很小,因此空載功率因數很低,可達到cosφ小于0.1的狀態。所以,變壓器空載試驗必須采用在低功率因數下仍然能夠準確執行測量任務的功率分析儀,必須采用低角差的電測量傳感器。
過去常規試驗沒有空載諧波電流這個測量項目,但是,隨著電網電能質量要求越來越嚴苛,有些單位已經在測量變壓器的空載電流諧波。其目的在于通過對空載電流諧波的監測,檢測變壓器的制造情況,發現鐵心的飽和程度、變壓器的結構形式以及三相結構的不對稱程度等參數。近來,測量變壓器的空載電流諧波趨勢增長迅速,其主要目的在于測量變壓器接入系統的背景諧波值,以備日后和變壓器帶載后的負載電流諧波值進行比較,以便有針對性地進行諧波治理,這也是變壓器生產制造廠家對公用電網質量提升可以給出的一個重要數據。國標要求諧波值以基波幅值的百分比表示,因此,必須采用具備基波測量模式,能夠進行諧波分析處理的功率分析儀。
圖3示:某單相變壓器的空載電流波形及其諧波頻譜
二變壓器空載試驗結果運算
對于三相變壓器采用三表法測量時具體計算情況如下:下一篇:變頻器的作用,你知道嗎?