01電容式電壓互感器的額定頻率
電容式電壓互感器設計所依據的頻率。
02電磁單元
電容式電壓互感器的組成部分,接在電容分壓器的中壓端子與接地端子之間(或當使用載波耦合裝置時直接接地),用以提供二次電壓。
03中壓變壓器
一臺電壓互感器,在正常使用條件下,其二次電壓實質上正比于一次電壓。
04補償電抗器
一個電抗器,通常接在中壓端子與中壓變壓器一次繞組的高壓端子之間,或接在接地端子與中壓變壓器一次繞組的接地側端子之間,或者將其電感值并入中壓變壓器的一次和二次繞組內。
05阻尼裝置
電磁單元中的一種裝置,其用途有:
a)限制可能出現在一個或多個部件上的過電壓;
b)抑制持續的鐵磁諧振;
c)改善電容式電壓互感器暫態響應特性。
06補償電抗器的保護器件
并聯于補償電抗器兩端的一個器件,用以限制電抗器的過電壓,且有利于阻尼CVT的鐵磁諧振。
01具有一個二次繞組的單相互感器

表示具有一個二次繞組的單相互感器,A表示電容式電壓互感器的一次繞組接線端子,N表示電壓互感器的一次繞組接地端子。a表示電容式電壓互感器的二次繞組接線端子,n表示電壓互感器的一次繞組接地端子。
02具有兩個二次繞組的單相互感器

表示具有兩個二次繞組的單相互感器,A表示電容式電壓互感器的一次繞組接線端子,N表示電壓互感器的一次繞組接地端子。1a和2a表示電容式電壓互感器的二次繞組接線端子,1n和2n表示電壓互感器的一次繞組接地端子。
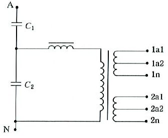
03具有兩個帶抽頭的二次繞組的單相互感器

表示具有兩個帶抽頭的二次繞組的單相互感器,A表示電容式電壓互感器的一次繞組接線端子,N表示電壓互感器的一次繞組接地端子。1a1、1a2和2a、2a2分別表示電容式電壓互感器的二次繞組接線端子,1n和2n表示電壓互感器的一次繞組接地端子。
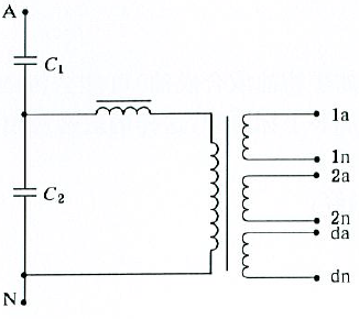
04具有一個剩余電壓繞組和兩個二次繞組的單相互感器

表示具有一個剩余電壓繞組和兩個二次繞組的單相互感器,A表示電容式電壓互感器的一次繞組接線端子,N表示電壓互感器的一次繞組接地端子。1a1、1a2和2a、2a2分別表示電容式電壓互感器的二次繞組接線端子,1n和2n表示電壓互感器的一次繞組接地端子。da和dn表示剩余電壓接線端子。
01測量用電容式電壓互感器
為指示儀器、積分儀表和類似裝置供電的電容式電壓互感器。
02保護用電容式電壓互感器
為繼電保護裝置供電的電容式電壓互感器。